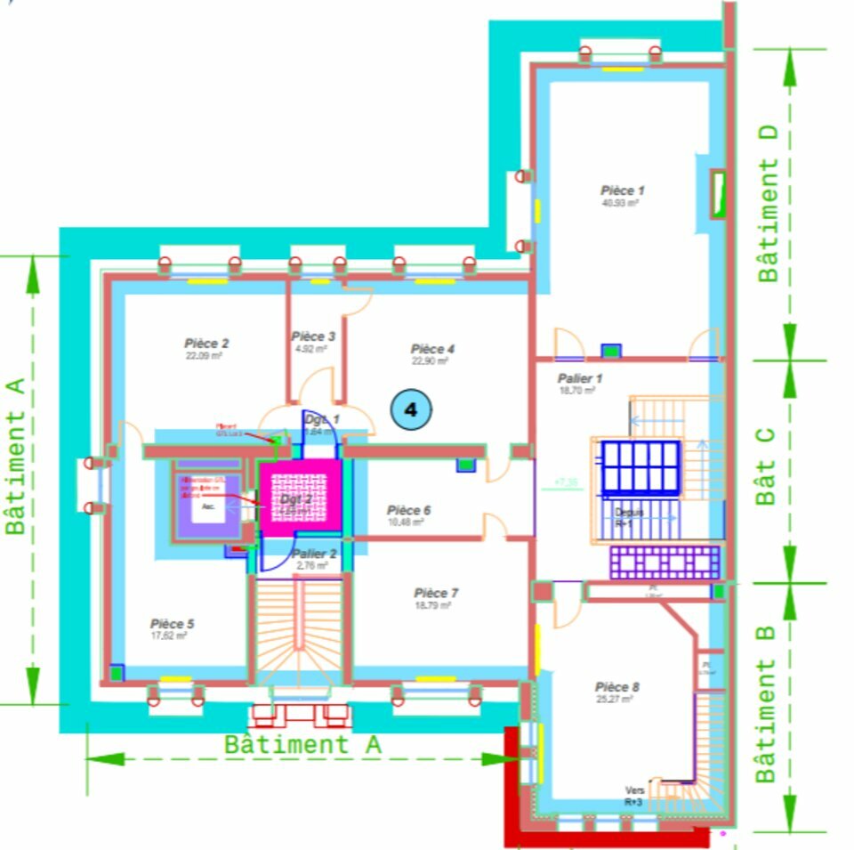
SECTEUR BLD DE LA PAIX ? CERES PLATEAU À AMÉNAGER ? 198 m²
Au dernier étage d'une petite copropriété, plateau brut de 198 m² à rénover entièrement.
Ascenseur dans l'immeuble. Volumes lumineux, nombreuses possibilités d'aménagement.
Le bien est actuellement sans système de chauffage.
Stationnements privatifs possibles en option.
? Copropriété de 24 lots (dont 8 d'habitation) ? pas de procédure en cours
? Charges annuelles : 2 496 ?
? Réf : 33435
? Non soumis au DPE
? Honoraires à la charge du vendeur
Bien adapté à un projet d'aménagement sur mesure, habitation ou usage professionnel.
- Surface totale : 198 m²
- Prix vente : 547 000 €
Prix : 547 000 € *
Référence : 51_0030
Demande d'informations

Nous contacter
Mail : [email protected]
Téléphone : 03.26.88.96.93
5 rue Théodore Dubois
51100 REIMS- Situation
lundi au vendredi : 9h00 -12h30 / 14h00 -19h00
samedi : 9h00 à 12h / 14h à 18h30
Voulez-vous être rappelé ?